• Ana korkuluk, çalışma alanı seviyesinden en az 1 m yükseklikte ve herhangi bir yönden gelebilecek 125 kilogramlık yüke dayanıklı olmalıdır.
• Tekmelik, ana ve ara korkuluklar herhangi bir yönden gelebilecek yüklere karşı en fazla 35mm sehim yapacak rijitlikte olmalıdır.
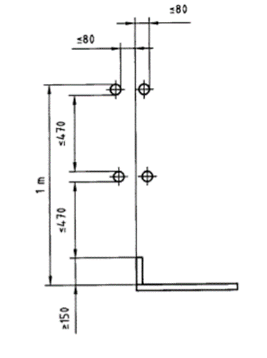
• Yan koruma elemanları arasındaki açıklıklar en fazla 47 cm olmalıdır (Şekil 10).
• Ana ve ara korkulukları ile topuk levhasının düşeyde yatay uzaklık 8 cm ‘yi geçmemelidir (Şekil 10).
• Topuk tahtası, en üst kenarı bitişik çalışma alanı seviyesinden en az 150 mm yukarıda olacak şekilde monte edilmiş olmalıdır.
• Topuk tahtası 15 kg yatay yüke dayanıklı olmalıdır.
• Düşeyliği ayarlanabilen taban plâkaları en az 200 mm ayar kapasitesine sahip olmalıdır.
• Taban plâkasının alanı en az 150 cm2 olmalıdır. Taban plâkasının kalınlığı en az 6 mm olmalıdır.
• Yumuşak zeminlerde yükü dağıtmak için taban plakaları altlarında uygun malzemeden yapılmış altlıklar (taban kalası) kullanılmalıdır (Şekil 11).

Bir yanıt yazın